首页
FB体育(中国)官方网站-FB SPORTS
射频收发芯片
混频器
射频前端芯片
模拟信号链芯片
行业应用
公网通信
专网&特种通信
蜂窝物联网
非蜂窝物联网
高精度传感
工业自动化
医疗设备
服务支持
在线选型
样品申请
反馈中心
下载中心
代理商信息
关于地芯
公司介绍
新闻资讯
加入我们
客户招募
联系我们
GAD2175
功能特性
产品优势
产品参数
应用方案
相关产品
模拟信号链芯片
GAD2175
GAD2175是一款4通道、同步采样14位ADC转化器,专为高频且宽动态范围的信号进行数字化处理而设计。其动态性能指标高达74dB 信噪比(SNR)和90dB无杂散动态范围(SFDR)。其静态性能指标达到±1LSB INL(典型值),±0.3LSB DNL(典型值)和无失码。转换噪声低至1.2LSBRMS。
联系我们
文档下载
FB体育(中国)官方网站-FB SPORTS
模拟信号链芯片
GAD2175
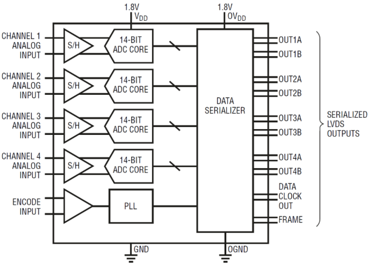
GAD2175 原理图
功能特性
14 位 125Msps、4通道低功耗 A/D 转换器
串行LVDS输出:每个通道1路或2路
1.8V单电压供电
低功耗:636mW(总值),159mW(每通道)
灵活的输入:1Vp-p至2Vp-p范围
800MHz 全功率带宽
集成时钟占空比稳定器
支持停机和打盹模式
产品优势
性能可与国外标杆产品媲美,引脚兼容海外主流产品,可实现无缝替代
低功耗
产品参数
产品类型
Pipeline ADC
Input Type
差分
Resolution(bit)
14
INL (LSB)
±1
Sample Rate (sps)
10M
DNL (LSB)
±0.5
Channel
1
SNR(dB)
74
Power (typ.) (mW)
58
SFDR(dB)
90
Vcc (V)
3
Data Output Interface
CMOS
Package
QFN32
Power (typ.) (mW)
58
SFDR(dB)
90
Vcc (V)
3
Data Output Interface
CMOS
Package
QFN32
Power (typ.) (mW)
58
SFDR(dB)
90
Vcc (V)
3
Data Output Interface
CMOS
Package
QFN32
文档下载
样品申请
应用方案
移动对讲基站
对讲机基站是一种可以连接多个对讲机的设备,主要作用是扩大对讲机的通讯范围,并增强信号质量。通过连接到特定的频率或信道,对讲机基站使得对讲机之间的通讯能够在更广泛的区域内进行,同时提供清晰、稳定的通信效果。ADC(模数转换器)在对讲机基站中负责将接收到的模拟信号快速转换为数字信号,以便进行后续的数字处理和数据传输。
探索更多
01
/
03
相关产品
GAD2174
GAD2174
GAD2174是一款4通道、同步采样14位ADC转化器,专为高频且宽动态范围的信号进行数字化处理而设计。
XK·体育(中国)官方网站-XK SPORTS
|
拼搏体育(China)有限责任公司官网
|
拼搏在线(中国)唯一官方网站
|
开云官方网页版_开云(中国)
|
开云官方网页版_开云(中国)
|
ATY官网-ATY(中国)一站式服务官网
|
开元ky官方-KY开元官网下载官方版
|
开云·官方版网站登录入口 - 开云(中国)
|
开云kaiyun官方在线入口-开云kaiyun(中国)
|